New Posts New Posts RSS Feed - Talkin' PSUs
  FAQ FAQ  Forum Search   Events   Register Register  Login Login

Welcome to the Graham Slee Audio Products Owners Forum

 

Open to all owners plus those contemplating the purchase of a Graham Slee HiFi System Components audio product and wishing to use this forum's loaner program: join here (Rules on posting can be found here)

This website along with trade marks Graham Slee and HiFi System Components are owned by Cadman Enterprises Ltd


Talkin' PSUs

 Post Reply Post Reply Page  123 6>
Author
Graham Slee View Drop Down
Admin Group
Admin Group
Avatar
Retired

Joined: 11 Jan 2008
Location: South Yorkshire
Status: Offline
Points: 16314
Post Options Post Options   Thanks (0) Thanks(0)   Quote Graham Slee Quote  Post ReplyReply Direct Link To This Post Topic: Talkin' PSUs
    Posted: 25 Oct 2020 at 8:59am
Talkin' PSUs

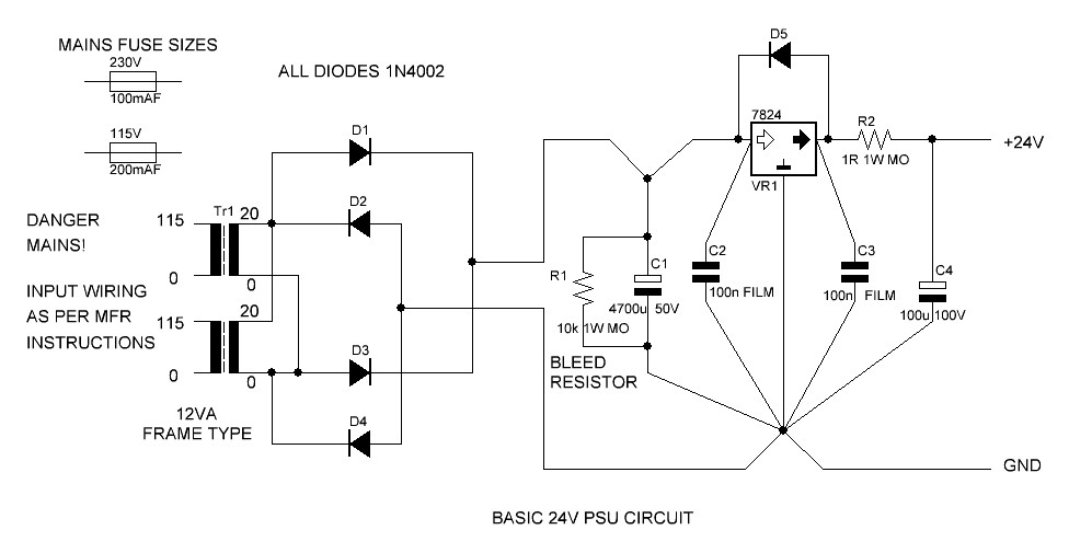
A PSU1 in kit form has long been hinted at, but the responsibilities I'd have to take for your safety are too much. Therefore, I thought it best to suggest a circuit, and then it's your responsibility to ensure your own safety, should you wish to build it.

The circuit shown here is not the PSU1, although it has similarities. I have assumed the reader has sufficient know-how to understand it. This topic is meant to be educational rather than a DIY project and can cover as many aspects of power supply design as you want.

24 volt DC linear power supply


That none should be able to park up and enjoy the view without a smartphone and the knowledge in how to use apps
Back to Top
Sylvain View Drop Down
Senior Member
Senior Member


Joined: 18 Jan 2010
Status: Offline
Points: 481
Post Options Post Options   Thanks (0) Thanks(0)   Quote Sylvain Quote  Post ReplyReply Direct Link To This Post Posted: 25 Oct 2020 at 6:00pm
A little elaboration of the design diagram, the transformer, current regulation and output in the light of the 5v DC design experience now under DAK shop, would be gratefully appreciated, please.  
Back to Top
Ashleip View Drop Down
New Member
New Member


Joined: 08 Jan 2021
Status: Offline
Points: 23
Post Options Post Options   Thanks (0) Thanks(0)   Quote Ashleip Quote  Post ReplyReply Direct Link To This Post Posted: 19 Jan 2021 at 8:34pm
Sorry this is probably a basic question....

From memory, output transformer winding configuration (+ to +, - to -) gives an output voltage of 20v. Although does the voltage regulator not need Vin > Vout to supply the 24v? 

If my memory is wrong and the wiring of the output windings gives 40V, why is Vin chosen to be the maximum rated voltage for the 7824 when the data sheet suggests stable 24v Vout from Vin between 27 and 37V?

Thanks! 
Back to Top
Graham Slee View Drop Down
Admin Group
Admin Group
Avatar
Retired

Joined: 11 Jan 2008
Location: South Yorkshire
Status: Offline
Points: 16314
Post Options Post Options   Thanks (0) Thanks(0)   Quote Graham Slee Quote  Post ReplyReply Direct Link To This Post Posted: 19 Jan 2021 at 10:44pm
Originally posted by Ashleip Ashleip wrote:

Sorry this is probably a basic question....

From memory, output transformer winding configuration (+ to +, - to -) gives an output voltage of 20v. Although does the voltage regulator not need Vin > Vout to supply the 24v? 

If my memory is wrong and the wiring of the output windings gives 40V, why is Vin chosen to be the maximum rated voltage for the 7824 when the data sheet suggests stable 24v Vout from Vin between 27 and 37V?

Thanks! 


Ratio of RMS to V peak?
That none should be able to park up and enjoy the view without a smartphone and the knowledge in how to use apps
Back to Top
Graham Slee View Drop Down
Admin Group
Admin Group
Avatar
Retired

Joined: 11 Jan 2008
Location: South Yorkshire
Status: Offline
Points: 16314
Post Options Post Options   Thanks (0) Thanks(0)   Quote Graham Slee Quote  Post ReplyReply Direct Link To This Post Posted: 20 Jan 2021 at 4:00am
Now I have an audience of two; I'd best start to flesh out this design.

Painting by numbers never turns out well - you need to become your artist. It is better to have somebody teach - even a crappy teacher like me - so you gain the power to make your power supply.

The above circuit works, but only just, providing the nominal values apply. It will work better on a British mains supply (which are not just exclusive to Britain) and probably really badly on a European mains supply.

Ashley points out the voltage regulator drop-out voltage, it needs =/>26 volts DC to function, but he didn't change AC to DC.

The current from the 20V AC EMF charges C1 via a diode on either end. The datasheet says they drop 0.65 volts each. Think of it as an entry fee. The capacitor receives the voltage after a 2 x 0.65-volt discount.

That's even worse; we're now down 1.3V to 18.7V - this will never work - he wants >26V, but he's only got 18.7!

That's right, I only have 18.7 volts, but that's AC; it's rated in RMS (should be lower case, by the way).

The RMS is the root mean square, which involves the inverse of the square root of 2. A given peak voltage is multiplied by the inverse of the square root of 2 to show its RMS value, provided it's of a sinusoidal shape.

The inverse of the square root of 2 is approx. 0.707, but we don't know the peak. We only have the RMS, so we need the inverse of 0.707 to multiply the RMS. 1/0.707 = 1.414, and so 18.7V RMS becomes 26.44 volts peak.

26.44V being >26V, we're good to go.

The output voltage is a nice steady, regulated 24V, but at what current? C1 stores charge, but how much can it give up before its voltage drops below 26V?

It can give up 0.44V. So what is the current we can take out before that 0.44V is used up?

To help us here, we need a formula, and the charge (Q) formula is Q = CV (capacitance times voltage), but we need to relate it to current (I) and the charging rate of the rectified AC (T).

I will not bore you with proof of how I and T are derived, except to state what might be evident that Q = IT (current by time, current x time), and if Q also = CV, then CV = IT.

We want to know how much current (I) we can use before the 7824 regulator ducks out between rectifier peaks.

If CV = IT, then CV/T = I (by dividing both sides by T to leave I).

We know the capacitance of C1, which in Farads is 0.0047. We know the 50Hz half cycle timing, which is 1/100, or 0.01, and we have 0.44V to throw away.

So I = 0.0047 x 0.44 / 0.01 = 0.2068 A, which is near enough 200mA.

I think that's enough for a first lesson.
That none should be able to park up and enjoy the view without a smartphone and the knowledge in how to use apps
Back to Top
Sylvain View Drop Down
Senior Member
Senior Member


Joined: 18 Jan 2010
Status: Offline
Points: 481
Post Options Post Options   Thanks (0) Thanks(0)   Quote Sylvain Quote  Post ReplyReply Direct Link To This Post Posted: 20 Jan 2021 at 6:56am
Truly appreciate your guidance but between the mathematics and formulas and technical expressions ...
i value the information but this spectator audience is a mere mortal.......and I chose to paint by numbers at least I have something at the end ....
Back to Top
Ashleip View Drop Down
New Member
New Member


Joined: 08 Jan 2021
Status: Offline
Points: 23
Post Options Post Options   Thanks (0) Thanks(0)   Quote Ashleip Quote  Post ReplyReply Direct Link To This Post Posted: 20 Jan 2021 at 9:26am
Doh! What a schoolboy mistake forgetting to convert from rms to peak.

Thanks Graham - great way to learn by going through like this, rather than painting by numbers where you can take what you learn and apply it to other uses.

So... let's say for example you wanted to increase the potential current capacity of the power supply to 1A, based on I=CV/T you have two options, increase the transformer voltage or increase the capacitance. As both C and V are proportional to I, if we want 1A, approx 5x 200mA, we need either 5x 4700uF or 5x 0.44V. I'm assuming the latter is preferable (as 23000uF seems quite large!) so you would want to swap the 20V transformer for a 22V unit, which will give us a 3.3V over the required 26V, and therefore I=1.5A?
Back to Top
 Post Reply Post Reply Page  123 6>
  Share Topic   

Forum Jump Forum Permissions View Drop Down

Forum Software by Web Wiz Forums® version 12.01
Copyright ©2001-2018 Web Wiz Ltd.

This page was generated in 0.090 seconds.