New Posts New Posts RSS Feed - Philips MFB speakers
  FAQ FAQ  Forum Search   Events   Register Register  Login Login

Welcome to the Graham Slee Audio Products Owners Forum

 

Open to all owners plus those contemplating the purchase of a Graham Slee HiFi System Components audio product and wishing to use this forum's loaner program: join here (Rules on posting can be found here)

This website along with trade marks Graham Slee and HiFi System Components are owned by Cadman Enterprises Ltd


Philips MFB speakers

 Post Reply Post Reply Page  <12345 9>
Author
Fatmangolf View Drop Down
Moderator Group
Moderator Group
Avatar

Joined: 23 Dec 2009
Location: Middlesbrough
Status: Offline
Points: 9695
Post Options Post Options   Thanks (0) Thanks(0)   Quote Fatmangolf Quote  Post ReplyReply Direct Link To This Post Posted: 17 Jul 2021 at 8:50pm
I was feeding the 544's from a Leak Delta 30 (wish I'd kept that amp!) then a Nikkei preamp I still have in the attic somewhere. Now I'm feeding them from my Majestic's fixed outputs, setting the listening level using the input attenuators on the speakers.
Jon

Open mind and ears whilst owning GSP Genera, Accession M, Accession MC, Elevator EXP, Solo ULDE, Proprius amps, Cusat50 cables, Lautus digital cable, Spatia cables and links, and a Majestic DAC.
Back to Top
Fatmangolf View Drop Down
Moderator Group
Moderator Group
Avatar

Joined: 23 Dec 2009
Location: Middlesbrough
Status: Offline
Points: 9695
Post Options Post Options   Thanks (0) Thanks(0)   Quote Fatmangolf Quote  Post ReplyReply Direct Link To This Post Posted: 19 Jul 2021 at 10:06pm
I popped some neoprene hemispheres on my speaker stands to lift and isolate the RH544's. The bass was improved as you would probably expect, deeper and better defined. That was probably thanks to minimising my wooden floor's contribution to the music!
Jon

Open mind and ears whilst owning GSP Genera, Accession M, Accession MC, Elevator EXP, Solo ULDE, Proprius amps, Cusat50 cables, Lautus digital cable, Spatia cables and links, and a Majestic DAC.
Back to Top
Graham Slee View Drop Down
Admin Group
Admin Group
Avatar
Retired

Joined: 11 Jan 2008
Location: South Yorkshire
Status: Offline
Points: 16314
Post Options Post Options   Thanks (0) Thanks(0)   Quote Graham Slee Quote  Post ReplyReply Direct Link To This Post Posted: 19 Jul 2021 at 10:59pm
Originally posted by Fatmangolf Fatmangolf wrote:

a Leak Delta 30 (wish I'd kept that amp!)

Marvellous what they achieved with just six transistors (per channel, power amp), and I'm hoping my six sounds good this week, because if it does, your wish will have come true. Wink
That none should be able to park up and enjoy the view without a smartphone and the knowledge in how to use apps
Back to Top
Fatmangolf View Drop Down
Moderator Group
Moderator Group
Avatar

Joined: 23 Dec 2009
Location: Middlesbrough
Status: Offline
Points: 9695
Post Options Post Options   Thanks (0) Thanks(0)   Quote Fatmangolf Quote  Post ReplyReply Direct Link To This Post Posted: 20 Jul 2021 at 6:42am
From what I've read your new amp is coming along very well indeed Graham.


Jon

Open mind and ears whilst owning GSP Genera, Accession M, Accession MC, Elevator EXP, Solo ULDE, Proprius amps, Cusat50 cables, Lautus digital cable, Spatia cables and links, and a Majestic DAC.
Back to Top
Fatmangolf View Drop Down
Moderator Group
Moderator Group
Avatar

Joined: 23 Dec 2009
Location: Middlesbrough
Status: Offline
Points: 9695
Post Options Post Options   Thanks (0) Thanks(0)   Quote Fatmangolf Quote  Post ReplyReply Direct Link To This Post Posted: 20 Jul 2021 at 5:59pm
Curiously one of my RH544's took longer to go into standby. The timing capacitor read a lot higher, 560uF rather than the 330uF written on it. This is not a new thing but I may solder a 220uF in parallel with the speaker's capacitor to even things out.
Jon

Open mind and ears whilst owning GSP Genera, Accession M, Accession MC, Elevator EXP, Solo ULDE, Proprius amps, Cusat50 cables, Lautus digital cable, Spatia cables and links, and a Majestic DAC.
Back to Top
Fatmangolf View Drop Down
Moderator Group
Moderator Group
Avatar

Joined: 23 Dec 2009
Location: Middlesbrough
Status: Offline
Points: 9695
Post Options Post Options   Thanks (0) Thanks(0)   Quote Fatmangolf Quote  Post ReplyReply Direct Link To This Post Posted: 21 Jul 2021 at 9:24pm
Of course I could just snip the over-value 330uF capacitor out and solder in a new capacitor of the right value...
Jon

Open mind and ears whilst owning GSP Genera, Accession M, Accession MC, Elevator EXP, Solo ULDE, Proprius amps, Cusat50 cables, Lautus digital cable, Spatia cables and links, and a Majestic DAC.
Back to Top
Fatmangolf View Drop Down
Moderator Group
Moderator Group
Avatar

Joined: 23 Dec 2009
Location: Middlesbrough
Status: Offline
Points: 9695
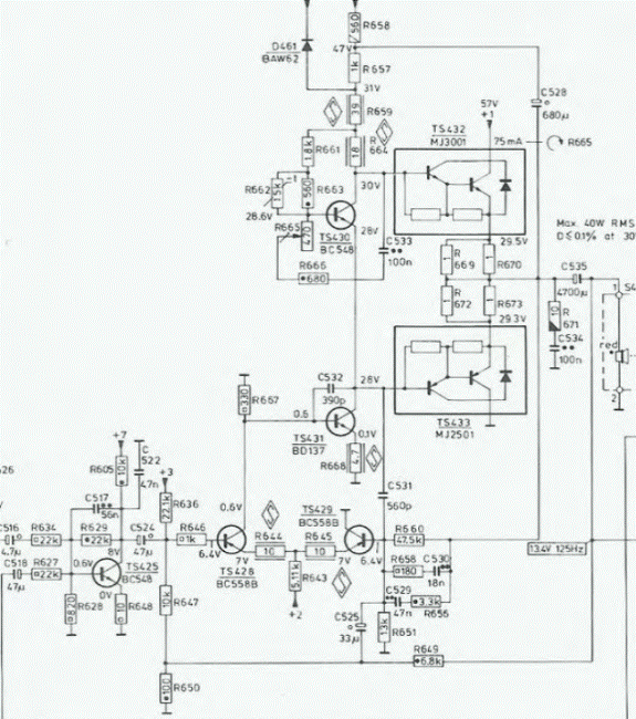
Post Options Post Options   Thanks (0) Thanks(0)   Quote Fatmangolf Quote  Post ReplyReply Direct Link To This Post Posted: 22 Jul 2021 at 8:50am
Out of interest here is an example of the amplifier stages inside the RH544:
LF amplifier
Jon

Open mind and ears whilst owning GSP Genera, Accession M, Accession MC, Elevator EXP, Solo ULDE, Proprius amps, Cusat50 cables, Lautus digital cable, Spatia cables and links, and a Majestic DAC.
Back to Top
 Post Reply Post Reply Page  <12345 9>
  Share Topic   

Forum Jump Forum Permissions View Drop Down

Forum Software by Web Wiz Forums® version 12.01
Copyright ©2001-2018 Web Wiz Ltd.

This page was generated in 0.063 seconds.