New Posts New Posts RSS Feed - Parasitics in Op-Amp Design
  FAQ FAQ  Forum Search   Events   Register Register  Login Login

Welcome to the Graham Slee Audio Products Owners Forum

 

Open to all owners plus those contemplating the purchase of a Graham Slee HiFi System Components audio product and wishing to use this forum's loaner program: join here (Rules on posting can be found here)

This website along with trade marks Graham Slee and HiFi System Components are owned by Cadman Enterprises Ltd


Parasitics in Op-Amp Design

 Post Reply Post Reply
Author
Graham Slee View Drop Down
Admin Group
Admin Group
Avatar
Retired

Joined: 11 Jan 2008
Location: South Yorkshire
Status: Offline
Points: 16314
Post Options Post Options   Thanks (0) Thanks(0)   Quote Graham Slee Quote  Post ReplyReply Direct Link To This Post Topic: Parasitics in Op-Amp Design
    Posted: 10 May 2015 at 8:39pm
As far as I'm concerned stability is everything in an audio circuit. An unstable circuit never sounds right in my opinion.

Nowadays there is more to circuit design than stability - there's electro-magnetic compatibility to be complied with too.

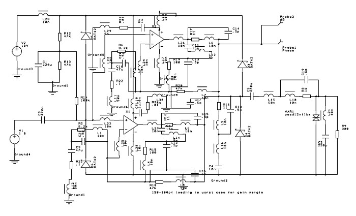
I wanted a simple headphone driver circuit that I could easily slot into a preamp and set about trying to make it as small as possible. The obvious answer was to use an op-amp, especially one of those tiny SOIC surface mounted ones - with support circuitry (passive components like resistors and capacitors) it needs a little more board area, but I should be able to squeeze each channel on a postage stamp (large first class that is!).

Spice modelling makes circuit design a cinch! Or does it? Most low output current op-amps behave gracefully and their EMC frequency response rolls off a treat, but here I'm wanting sufficient current to drive low impedance headphones. High output current op-amps can be a lot more difficult to implement. Often they'll "fight" to keep their response up.

When I'm not sure, I model in all the parasitic behaviours of passive components as well as PCB traces. A resistor isn't pure resistance - high quality metal films are better than most, but they have series inductance and parallel capacitance. Capacitors have series resistance and inductance (at least), and PCB traces have inductance.

What looked like a simple circuit diagram gets very complicated once all those parasitics are included. Here's what it looks like...



Note that this circuit uses paralleled op-amps increasing output current further - the downside often is that the output tries to rise up in the radio frequency spectrum. This circuit resulted in this plot at the negative feedback nodes.



With no parasitics modelled in it behaved perfectly, but parasitics exist and can't be ignored. The chart above shows a large spike just before 1.5GHz - within the spectrum covered by EMC legislation.

If that spike were to appear at the headphone jack, the headphone cable would do a great job as antenna not only transmitting it, but any airborne frequency between 1GHz and 2GHz would find it easy to get in to the circuit via this output. Here we are talking about harmonics of cellphone transmission frequencies.

Parasitics once identified can be fought with intentional parasitics, small parastic capacitances can be shunted with real capacitors - but as they have their own parasitic inductance, it isn't a perfect cure. In fact there are no perfect cures - parastics make circuit calculations so complicated that it has to end up as trial and error, and that's where powereful spice simulation becomes a great help.

This is the circuit modelled with intentional parasitics plus the addition of an output inductor - an RF choke with enclosed magnetic field, otherwise that would transmit too - making matters worse.



At the feedback node it can now be seen that the EMI (parasitic interference) problem is reduced, but not cured - it is still in the gain area (above the blue line).



Although it is reduced, we cannot allow that onto the headphone cable - it would transmit.

However, I said I'd used an output inductor, and that attenuates the parasitic interference to a degree that might well pass EMC requirements. Probing at the ouput after the inductor it's 60dB below the designed output, and around 44dB (down by 160 times) below the "0dB" reference.



So that should be fine? Well, not exactly. I wanted this design to be small to fit inside a preamp - on the same board. The spike is still there before the output inductor and could transmit to the preamp stage inside the box. Will it cause a problem? The only way to find that out is to build the entire thing and try it.

Just how these EMC issues are found out in practice is by pre-compliance testing, which is why we have a 1.5GHz radio frequency spectrum analyser and close coupled probes. See: http://audio-forum.gspaudio.co.uk/new-rf-analyser-for-enhanced-qc_topic2462.html

How does any of this correlate with how it sounds? You'd have to take my word for it, but a design that complies as close as possible with EMC requirements tends also to sound better that one that doesn't - mainly because the circuit is only being called-on to do its intended job instead of being an unintentional radio transceiver.

Contrast the above with those who try to home in on good sound by op-amp rolling alone - the chances of getting it right are a bit like winning the national lottery, without actually taking part.
That none should be able to park up and enjoy the view without a smartphone and the knowledge in how to use apps
Back to Top
 Post Reply Post Reply
  Share Topic   

Forum Jump Forum Permissions View Drop Down

Forum Software by Web Wiz Forums® version 12.01
Copyright ©2001-2018 Web Wiz Ltd.

This page was generated in 0.047 seconds.