GSP Preamp
Printed From: Graham Slee Hifi System Components
Category: And the rest
Forum Name: Pre-amplification
Forum Description: This was covered under Amplification but we decided it needed a section of its own
URL: https://www.hifisystemcomponents.com/forum/forum_posts.asp?TID=2279
Printed Date: 27 Mar 2026 at 2:15am Software Version: Web Wiz Forums 12.01 - http://www.webwizforums.com
Topic: GSP Preamp
Posted By: ICL1P
Subject: GSP Preamp
Date Posted: 20 Jun 2014 at 6:26pm
Graham Slee wrote:
I am currently working on the long awaited preamp 
(similar styling to the http://www.gspaudio.co.uk/power-amp.htm - Proprius but I'm thinking about a smokey black front panel...)
| I'm looking forward to being talked through it, as you did with the Majestic.
------------- Ifor ===== Reflex M & ACCESSION M, CuSat50, Majestic DAC, a Proprius pair.
|
Replies:
Posted By: BackinBlack
Date Posted: 20 Jun 2014 at 9:29pm
Smokey black front panel? If that doesn't start a debate, I don't know what will. Oh yes, tone controls, I'd almost forgotten about those!
------------- Just listen, if it sounds good to you, enjoy it.
|
Posted By: ICL1P
Date Posted: 20 Jun 2014 at 9:34pm
BackinBlack wrote:
Smokey black front panel? If that doesn't start a debate, I don't know what will. Oh yes, tone controls, I'd almost forgotten about those!
| If I remember correctly, we already talked/voted about tone controls, but not about smokey black front panel! I should probably stay out of this, but will watch with interest, because the Majestic should fit my requirements.
------------- Ifor ===== Reflex M & ACCESSION M, CuSat50, Majestic DAC, a Proprius pair.
|
Posted By: BackinBlack
Date Posted: 20 Jun 2014 at 10:14pm
ICL1P wrote:
BackinBlack wrote:
Smokey black front panel? If that doesn't start a debate, I don't know what will. Oh yes, tone controls, I'd almost forgotten about those!
| If I remember correctly, we already talked/voted about tone controls, but not about smokey black front panel! I should probably stay out of this, but will watch with interest, because the Majestic should fit my requirements. |
Likewise, I perhaps should stay out of it, as my Majestic does almost all I need. Like Andrew I use a switch box to provide more analogue inputs. I shall watch the development of the pre-amp with great interest, I certainly wouldn't rule one out as it might give me more flexibility. Let's see..
------------- Just listen, if it sounds good to you, enjoy it.
|
Posted By: Ash
Date Posted: 20 Jun 2014 at 10:30pm
To be completely honest, after some of the headphones I heard at the Roadshow, they need all the tone controls they can get! 
Sorry, I'll stop it. 
But seriously, couldn't very precise and elaborate tone controls allow correction of mis-calibrated headphone drivers or improvement of poor mastering?
------------- We do not see things as they are. We see things as we are.
|
Posted By: Graham Slee
Date Posted: 21 Jun 2014 at 10:25pm
1/3rd octave 'graphic' equaliser... they're OK to the musically trained ear but most customers don't possess such training.
Something I've been discussing with Bob by email was how professionals used to be able to spec up 'preamp system' and in particular using the old Studer catalogue. That was crammed full of every conceivable audio circuit at the time (late 80's... all analogue), and each circuit was on a plug-in eurocard or euromodule. These were plugged into a card frame with roughly 16 slots to 'build' a customised preamp or even mixer system.
In my job at that time, I or the other designer (one of the directors) would basically do similar cards to fit the client's spec, and build them into a card frame. We'd often be required to put a front on the card frame to prevent meddling and often that would be a piece of smoked perspex. The finished card frame would fit a 19" rack - often in some quality carpentry in the studio desk base or eye level pods. Most would feature 'trimmers' to tweak things such as 'balance' and often there'd be LED indicators. The finished items would look quite impressive, but cost an absolute fortune.
Unfortunately I don't have any photos to show you, and after trying a google image search, it looks as if nobody else was making such things.
------------- That none should be able to park up and enjoy the view without a smartphone and the knowledge in how to use apps
|
Posted By: Graham Slee
Date Posted: 21 Jun 2014 at 10:37pm
This is the nearest I could find...

------------- That none should be able to park up and enjoy the view without a smartphone and the knowledge in how to use apps
|
Posted By: morris_minor
Date Posted: 22 Jun 2014 at 12:18pm
A blade approach to adding functionality with discrete electronics appeals to me, but I'm an ol' fogey. With more and more microprocessor controlled units around, converting everything to the digital domain, the discrete analogue route is becoming more and more retro, and falling behind the mainstream IMO. I don't see GSP being able to compete with the big Corporations and their economy of scale for development, tooling, marketing etc. Sound quality is the first casualty despite plenty of folk bigging it up for back-handers. The unfortunate fact is that producing excellent kit doesn't make people buy it if it doesn't fit in with their preferences which have been skilfully manipulated by the audio press to favour their advertisers.
------------- Bob
Majestic DAC/pre-amp Accession MC/Enigma, Accession MM, Reflex M, Elevator EXP, Era Gold V Solo ULDE, Novo, Lautus USB and digital, Libran balanced, CuSat50 2 x Proprius + Spatia/Spatia Links
|
Posted By: Bi-wire
Date Posted: 22 Jun 2014 at 1:21pm
I am interested to follow the development of this.Hmm, not sure about the smokey black front panel; prefer the look of the Majestic.I am in a minority (of 1 possibly) but I don't think tone controls are required. I know I have already lost this argument but would ask that they be 'by-passable'(is that a word?).
------------- Peter
Satisfied user of: Revelation M, PSU1-Enigma, Solo SRGII and lots of CuSat50
|
Posted By: Graham Slee
Date Posted: 22 Jun 2014 at 2:33pm
Hi Peter, I'm not thinking of putting tone controls on the preamp.
I made a suggestion of a 'card frame' for people wanting to 'design their own system'. It would be very expensive for me to develop a series of 'standard' cards, but it would not be the first time - broadcast studios were often done this way. However, I don't think the average hi-fi customer would have a clue what I'm talking about, even though they seem able to spec-up a new car from all the options available (if they can afford a new car that is..). Sorry for rambling 
My personal thoughts about the styling of the preamp are to use a Proprius-like case that is 380mm (industry standard?) wide, 76mm high (with 14mm feet to make it 2U), and 254mm deep.
The front panel would need to be thicker at 6mm so as to counterbalance the tug of the interconnects at the back. It can be recessed-in or it can be as per the Majestic - stuck on the front.
As for the remote, I'd been developing my own a couple of years ago, using different technology to regular remote controls to try and prevent interference with other products. There are so many remote control codes for standard remotes that I would probably get it all wrong...
To add input selection will require me to make it addressable to generate more codes than a simple up/down for volume control.
That would not be compatible with a standard manual switch input selector on the front panel of the preamp! Such an input selector would have to follow the same routine as the remote, and switch by relays - the only visible indication of selected input possible would then be by using LEDs.
Such a level of automation adds complexity 'inside the box'. It also demands power: whereas all the cicuitry of a manually controlled preamp could be easily powered by one PSU1, the power budget is increased considerably by the automation, and then the question of how signal purity/quality will be impacted has to be broached.
One answer would be to run the automation on rechargeable battery, and in such a scenario, the remote itself could be made rechargeable when not in use. However, if used repetitively, the automation of the preamp could fail due to the battery discharging faster than it could take on charge.
Another option is to use a more powerful external power supply than the PSU1. The Proprius power supply has proved itself capable of good audio reproduction: it is switched mode and self adjusting to any AC mains.
Some may ask why a remote power supply, or even why not make a bigger PSU1? The answer to these questions lies in global safety and environmental standards: not all of those inviting pieces of hi-fi equipment you see are innocent! Most break the law in one or more countries around the globe.
Not every manufacturer who uses a built-in power supply conforms to world IEC standards, which they should if they sell their products outside Europe. In fact, it is illegal for certain pieces of equipment to be sold in some countries unless they are certified to one standard or another. Add to that the environmental standards and mains derived power supplies are a real headache to those who bother to comply.
Some decide to risk it. I know of at least two quite well-known makes who do. I also know of at least two makes who are very safety and environmentally conscious - one being me!
It is exremely expensive to comply and so a bigger PSU1 could cost between £10K and £20K to obtain approval - likewise for a built-in power supply.
The above being a good reason why a few brands outsource, using external power supplies which carry the required approvals.
------------- That none should be able to park up and enjoy the view without a smartphone and the knowledge in how to use apps
|
Posted By: Bi-wire
Date Posted: 22 Jun 2014 at 3:00pm
Graham Slee wrote:
Hi Peter, I'm not thinking of putting tone controls on the preamp.
I made a suggestion of a 'card frame' for people wanting to 'design their own system'. It would be very expensive for me to develop a series of 'standard' cards, but it would not be the first time - broadcast studios were often done this way. However, I don't think the average hi-fi customer would have a clue what I'm talking about, even though they seem able to spec-up a new car from all the options available (if they can afford a new car that is..). Sorry for rambling 
My personal thoughts about the styling of the preamp are to use a Proprius-like case that is 380mm (industry standard?) wide, 76mm high (with 14mm feet to make it 2U), and 254mm deep.
The front panel would need to be thicker at 6mm so as to counterbalance the tug of the interconnects at the back. It can be recessed-in or it can be as per the Majestic - stuck on the front.
As for the remote, I'd been developing my own a couple of years ago, using different technology to regular remote controls to try and prevent interference with other products. There are so many remote control codes for standard remotes that I would probably get it all wrong...
To add input selection will require me to make it addressable to generate more codes than a simple up/down for volume control.
That would not be compatible with a standard manual switch input selector on the front panel of the preamp! Such an input selector would have to follow the same routine as the remote, and switch by relays - the only visible indication of selected input possible would then be by using LEDs.
Such a level of automation adds complexity 'inside the box'. It also demands power: whereas all the cicuitry of a manually controlled preamp could be easily powered by one PSU1, the power budget is increased considerably by the automation, and then the question of how signal purity/quality will be impacted has to be broached.
One answer would be to run the automation on rechargeable battery, and in such a scenario, the remote itself could be made rechargeable when not in use. However, if used repetitively, the automation of the preamp could fail due to the battery discharging faster than it could take on charge.
Another option is to use a more powerful external power supply than the PSU1. The Proprius power supply has proved itself capable of good audio reproduction: it is switched mode and self adjusting to any AC mains.
Some may ask why a remote power supply, or even why not make a bigger PSU1? The answer to these questions lies in global safety and environmental standards: not all of those inviting pieces of hi-fi equipment you see are innocent! Most break the law in one or more countries around the globe.
Not every manufacturer who uses a built-in power supply conforms to world IEC standards, which they should if they sell their products outside Europe. In fact, it is illegal for certain pieces of equipment to be sold in some countries unless they are certified to one standard or another. Add to that the environmental standards and mains derived power supplies are a real headache to those who bother to comply.
Some decide to risk it. I know of at least two quite well-known makes who do. I also know of at least two makes who are very safety and environmentally conscious - one being me!
It is exremely expensive to comply and so a bigger PSU1 could cost between £10K and £20K to obtain approval - likewise for a built-in power supply.
The above being a good reason why a few brands outsource, using external power supplies which carry the required approvals.
|
Thank you, Graham, I understand now. Separately, can I raise the subject of stepped attenuation rather than the Alps type volume control and see what reaction that gets .... 
------------- Peter
Satisfied user of: Revelation M, PSU1-Enigma, Solo SRGII and lots of CuSat50
|
Posted By: Graham Slee
Date Posted: 22 Jun 2014 at 7:20pm
Bi-wire wrote:
Separately, can I raise the subject of stepped attenuation rather than the Alps type volume control and see what reaction that gets ....  |
Don't know how I'd drive a rotary switch with a motor, so a decent pot would be best for remote control.
I'd agree that in using stepped attenuation the signal 'passes' through the same fixed resistors (or would do) as the rest of the circuitry, and not some screen-printed variable conductivity carbon deposit on a piece of circular paxolin to achieve an 'audio-taper'. No matter how good the wiper finger is (or fingers if thinking of the 'blue velvet' are), there will always be some mismatch.
The only way to remote this would be a board full of relays, but then what about contact resistance? Relays don't have the requisite wiping action and if you look at signal relay specifications you'll notice one about minimum contact current. The best do 10uA but how much current would flow where the signal was -60dB?
Likewise, when switches wear they're going to have the same effect.
------------- That none should be able to park up and enjoy the view without a smartphone and the knowledge in how to use apps
|
Posted By: Bi-wire
Date Posted: 23 Jun 2014 at 11:14am
Graham Slee wrote:
Bi-wire wrote:
Separately, can I raise the subject of stepped attenuation rather than the Alps type volume control and see what reaction that gets ....  |
Don't know how I'd drive a rotary switch with a motor, so a decent pot would be best for remote control.
|
Yes, I thought that would be your reaction. I don't have an answer either  . I guess if we have to have remote operation (which I accept is pretty well essential for the market as a whole) then it has to be the best possible pot you can realistically source. What about stepped attenuation and no remote as an alternative implementation, or is this just introducing another unnecessary complication when it comes to marketing, etc?
------------- Peter
Satisfied user of: Revelation M, PSU1-Enigma, Solo SRGII and lots of CuSat50
|
Posted By: Frostg
Date Posted: 25 Jun 2014 at 1:57pm
|
Why do we have to have a remote? If using vinyl you have to get up to turn sides, unless you have jukebox. So i don't understand why it is not possible to get up to set volume how you want it. We seem to want to over complicate everything.
|
Posted By: Bi-wire
Date Posted: 25 Jun 2014 at 5:35pm
Frostg wrote:
Why do we have to have a remote?If using vinyl you have to get up to turn sides, unless you have jukebox. So i don't understand why it is not possible to get up to set volume how you want it. We seem to want to over complicate everything. |
Because, apparently, the market(*) demands it ... * I confess, I'm not sure who the 'market' is. On the surface, it should be safe to assume that it's the audio enthusiast who, to my mind, would favour audio purity over convenience but, is there more to it? Perhaps Graham needs to share some of his business experience of this area with us ...
------------- Peter
Satisfied user of: Revelation M, PSU1-Enigma, Solo SRGII and lots of CuSat50
|
Posted By: ICL1P
Date Posted: 25 Jun 2014 at 6:42pm
I suspect I won't be in the market for this product, but who knows? FWIW though, I would find remote volume control quite handy, but source switching completely unnecessary. But, let's not forget that at least two of GSP's most loyal supporters are not as mobile as most of us; I think that source switching deserves the serious attention it's being given.
------------- Ifor ===== Reflex M & ACCESSION M, CuSat50, Majestic DAC, a Proprius pair.
|
Posted By: BackinBlack
Date Posted: 25 Jun 2014 at 7:59pm
+1
------------- Just listen, if it sounds good to you, enjoy it.
|
Posted By: CageyH
Date Posted: 25 Jun 2014 at 10:06pm
Personally, I would like to see a remote volume control at the very least. Tone controls have no place, but balance can be useful for adjusting your system to the environment. I'm not sure about source switching by remote on a preamp. The idea afaik is to get the signal as pure as possible, hence the availability of passive-pre's.
------------- Kevin European loan coordinator, based near Toulouse, France. Funkified SL1200 Mk.II, BB3, Firebottle Kin , ADI-2 DAC FS, Modulus 686, PD-S703, Solo UL, Triangle Antal EZ
|
Posted By: Graham Slee
Date Posted: 26 Jun 2014 at 1:05am
I may have found a way to do the source switching in solid state...
I've also been working on a discrete main preamplification stage - needs some running in and possible tweaks before I can comment further.
------------- That none should be able to park up and enjoy the view without a smartphone and the knowledge in how to use apps
|
Posted By: Ash
Date Posted: 26 Jun 2014 at 7:44am
Some transducers have such skewed calibration and altered tonality that they could probably benefit from tone controls.
------------- We do not see things as they are. We see things as we are.
|
Posted By: Graham Slee
Date Posted: 26 Jun 2014 at 8:26am
There being the 'graphic equaliser technique' of making bass and treble controls, which differ from the usual 'baxendall' configuration (and passives are reserved for valves where hiss doesn't matter), it could be possible to make the preamp 'modular' and provide a bass and treble module as an option.
However what 'you' want out of tone controls, and what 'he' wants out of tone controls, may be different from what 'they' want out of tone controls...
Also, if you knew history, you'd know that tone controls were created to correct for record replay in the days before RIAA and before properly preamplified and equalised magnetic cartridges. That's when transducers were really skewed... nobody had heard of computers and smartphones - those who could afford it all had a record player, and there were literally hundreds of different crystal pick up cartridges, all sounding different to one another.
------------- That none should be able to park up and enjoy the view without a smartphone and the knowledge in how to use apps
|
Posted By: Graham Slee
Date Posted: 26 Jun 2014 at 1:01pm
My intention is to make the preamp as a number of low profile cards
plugged to a horizontal 'mother board', such that some functions may be
included or not included as required by the customer. This may require
two or more types of front panel.
This should enable different remote control options to be provided:
1. Manual - no remote control:
Manual operation rotary input selector and manual operation conventional rotary volume control.
2. Semi-manual - remote control operates volume only:
Manual operation rotary input selector and motorised operation conventional rotary volume control (which can be manually operated too).
3. Full remote control - remote control operates volume and input switching:
Hardware-logic operated solid-state input selector (which can also be operated by a similar looking rotary front panel switch to the manual version) and motorised operation conventional rotary volume control (which can be manually operated too).
------------- That none should be able to park up and enjoy the view without a smartphone and the knowledge in how to use apps
|
Posted By: Bi-wire
Date Posted: 26 Jun 2014 at 4:17pm
Graham, this sounds tremendous; an attempt to satisfy almost every persuasion and excellent news if you can do this and still satisfy commercial imperatives. 
------------- Peter
Satisfied user of: Revelation M, PSU1-Enigma, Solo SRGII and lots of CuSat50
|
Posted By: morris_minor
Date Posted: 26 Jun 2014 at 5:00pm
Bespoke audio engineering at it's best! I hope it's financially possible. If it is it'd be very interesting to see how the orders are split . . . 
------------- Bob
Majestic DAC/pre-amp Accession MC/Enigma, Accession MM, Reflex M, Elevator EXP, Era Gold V Solo ULDE, Novo, Lautus USB and digital, Libran balanced, CuSat50 2 x Proprius + Spatia/Spatia Links
|
Posted By: Graham Slee
Date Posted: 26 Jun 2014 at 6:23pm
Thank you for the supportive words above.
Until each section is proven to work/perform then nothing can be promised, but that work is taking place.
The discrete gain stage I may have mentioned, has been subjected to further investigation today - mainly to reduce distortion which is now 0.015%, and slew-rate symmetry which is now close to being equal on rising and falling signals.
Compared with opamps the distortion may look a little high, but the discrete stage uses just four bipolar transistors against at least 25 in an equivalent opamp. The design is 'pre-differential' and another of my favourites from my earliest experiments in audio electronics (late 70's). I am attempting to do as much as is possible in the preamp with discretes, but will not sacrifice performance if an opamp can make a better sound.
------------- That none should be able to park up and enjoy the view without a smartphone and the knowledge in how to use apps
|
Posted By: BackinBlack
Date Posted: 26 Jun 2014 at 7:02pm
Looks like a brilliant solution. If your name's Graham, then it appears that you can please all of the people all of the time. Well done, I hope it all comes together as you hope.
------------- Just listen, if it sounds good to you, enjoy it.
|
Posted By: ICL1P
Date Posted: 26 Jun 2014 at 7:47pm
Graham Slee wrote:
Thank you for the supportive words above.
Until each section is proven to work/perform then nothing can be promised, but that work is taking place.
The discrete gain stage I may have mentioned, has been subjected to further investigation today - mainly to reduce distortion which is now 0.015%, and slew-rate symmetry which is now close to being equal on rising and falling signals.
Compared with opamps the distortion may look a little high, but the discrete stage uses just four bipolar transistors against at least 25 in an equivalent opamp. The design is 'pre-differential' and another of my favourites from my earliest experiments in audio electronics (late 70's). I am attempting to do as much as is possible in the preamp with discretes, but will not sacrifice performance if an opamp can make a better sound.
| Exciting stuff! (He says pretending to understand it all). Well done so far Graham.
------------- Ifor ===== Reflex M & ACCESSION M, CuSat50, Majestic DAC, a Proprius pair.
|
Posted By: Frostg
Date Posted: 27 Jun 2014 at 10:33am
|
Graham, can you give the run down on what currently you think the specs will be for the pre-amp, such as the number of inputs, if there will be an option to output to one of your headphone amps and the proprius selected via a switch etc?
Thanks and sorry if this is already elsewhere. and i appreciate it is a work in progress so there may be design changes as things progress.
|
Posted By: ICL1P
Date Posted: 27 Jun 2014 at 11:06am
Maybe this, on the product page:
Aria Line Stage The Aria Line Stage line preamplifier is in development and a release date late 2012 is expected.
should be replaced with a link to this thread.
------------- Ifor ===== Reflex M & ACCESSION M, CuSat50, Majestic DAC, a Proprius pair.
|
Posted By: Graham Slee
Date Posted: 27 Jun 2014 at 5:57pm

The above is the result of a simulation of the switching characteristics of one input channel. It uses two switching N-channel JFETs cascaded between series resistors such that on full attenuation (green plot) the source sees a 5kOhm load, and on zero attenuation (red plot) a 'high impedance' load - the red plot being the selected channel.
It can be seen that the JFET has a frequency response, whereas mechanical switches don't - but one could argue that they have capacitance and so very high frequencies would be attenuated similarly.
In the JFET case, the off capacitance combined with the series resistor - for the JFET chosen - provides a roll-off at 260kHz. This should mean the phase response is flat to a little above the audio spectrum, meaning that there should not be any deterioration to SQ. The 260kHz filter turnover should help ensure radio frequencies are effectively kept out.
So everything looks hunky dory? Well, as with most circuits you can never know until you thoroughly test them, and the JFETs I ordered from RS in the early hours of yesterday only just turned up in the very late Friday post. I will give them a try on Sunday and put audio frequency signals through them using the AP Analyser.
The solid-state input selector is not out of the woods yet: it could be that there is too much distortion even with the JFET in its off (selected input) condition.
There is very little written on the subject to research and that's possibly because of a patent which has spanned the last 17 years. It's one of those American patents where they allow the obvious as well as "the prior art" to be patented. Such patents do a lot of damage to the electronics industry! As it is patented as a "mute switch" and the use here is input selector, I doubt anybody will mount a challenge. I think I'll ask my patent attorney to patent the use of a resistor in resisting current flow...  
...he'd just 
------------- That none should be able to park up and enjoy the view without a smartphone and the knowledge in how to use apps
|
Posted By: Graham Slee
Date Posted: 27 Jun 2014 at 6:17pm
Frostg wrote:
Graham, can you give the run down on what currently you think the specs will be for the pre-amp, such as the number of inputs, if there will be an option to output to one of your headphone amps and the proprius selected via a switch etc?
Thanks and sorry if this is already elsewhere. and i appreciate it is a work in progress so there may be design changes as things progress. |
There is a very long topic on this somewhere as Ifor pointed out, but to summarise, it is to have 6 inputs (one balanced). It was also going to have a "recording" selector switch but the remote input switching (see above... and if it works) will have put paid to that because of the loads placed on the unused inputs...
...regarding the unused inputs having a 5k Ohms load placed on them, this may seem strange but there are numerous "respected" amps which do exactly the same, but omit to tell you about it. One effect being that any "chained" input (say from a Novo...) will end up being somewhat distorted with some sources. I've been had over the coals with that one - the Novo being blamed for sounding distorted when so-and-so's amp is switched to another input channel - the problem is that most people simply don't understand such workings - and why should they? In this preamp the 5k Ohms value gives the unused source some "fighting chance" - in most other amps it's something like 100 Ohms! ...
...the recording output will have to be configured in the "time-honoured" tape loop/tape monitor fashion which most people understand anyway. However, it takes away that record B whilst listening to A function.
As with the Majestic DAC preamp, the line-stage preamp will feature a fixed line level RCA jack output - suitable for driving a headphone amp - as well as preamp outs (volume controlled) on RCA (single ended) and XLR (600 Ohm compatible balanced).
Graham
------------- That none should be able to park up and enjoy the view without a smartphone and the knowledge in how to use apps
|
Posted By: Frostg
Date Posted: 27 Jun 2014 at 11:59pm
|
Thanks Graham very helpful.
Would it also not be worth putting a similar summary on the product page for the Aria and updating the 2012 expected date to 2014/15?
|
Posted By: Graham Slee
Date Posted: 29 Jun 2014 at 8:30pm
The solid-state input switching prototype circuit is looking positive with less than 0.0015% distortion (THD+N) and a 103dB S/N ratio. The test circuit is giving 72dB attenuation in the "off" state - not the 100dB the simulation showed - but perhaps with a bit of fine tuning it may achieve more than -80dBu which is not bad for this type of remote controlled idea.
Frostg wrote:
Thanks Graham very helpful.
Would it also not be worth putting a similar summary on the product page for the Aria and updating the 2012 expected date to 2014/15? |
Since my initial idea of calling it Aria, that neme has been used by another. I think it will receive a name at its launch. As for when that will be, well, I can only go at my own pace, and there's still a lot to be considered and tried yet.
------------- That none should be able to park up and enjoy the view without a smartphone and the knowledge in how to use apps
|
Posted By: Frostg
Date Posted: 30 Jun 2014 at 11:09am
|
Graham, i understand there is much work ahead. And the comment was not to rush you.
Even if there is not a new date yet, is it not worth changing the 2012 expected date to say work is progressing in 2014, with a few of the preliminary specs - just to show this is still going to happen. As if i cam to the site and saw the 2012 date without knowing there was discussion going on i might assume it was no longer going to happen.
|
Posted By: Graham Slee
Date Posted: 30 Jun 2014 at 1:17pm
Frostg wrote:
Graham, i understand there is much work ahead. And the comment was not to rush you.
Even if there is not a new date yet, is it not worth changing the 2012 expected date to say work is progressing in 2014, with a few of the preliminary specs - just to show this is still going to happen. As if i cam to the site and saw the 2012 date without knowing there was discussion going on i might assume it was no longer going to happen. |
Thank you - you are correct and I am grateful for your explanation. It will be re-worded.
And now back to the remote control input switching (if anybody is still interested...).
IMO the solid state idea is unworkable for the standard of quality the preamp is intended to be.
The reason(s)?
With JFETs the ideal solution would be a P-Channel switch... try finding one! This is what happens when the world gives away its manufacturing sectors to one country!!! With N-Channel you need a negative supply, and if you don't have one - or a suitable one - you get one using a charge pump! Charge pumps work by switching charge into capacitors but not at a frequency in the audio spectrum. OK, that's good? NOT! The frequency will be above the audio spectrum but not by far, and will cause problems.
However, by floating the signal above a positive reference voltage, the voltages below that are negative as far as the N-Channel switch is concerned, but that requires some creative voltage biasing, and that starts to get very complicated, and complications result in? Correct! Bad sound.
If biasing is involved I may as well use a bipolar transistor, but I reckon you want good sound?...
So what's left? IMO nothing. However, I have noticed even our audio analysers use relays. I will phone service and ask which ones they use, but either I'm searching in the wrong places, or the minimum switching current is too high at 10µA.
Could this be the reason why some manufacturers short unused inputs with 120 Ohm resistors? To get the current up? But what harm does a virtual short do to those inputs if they're left playing?
All is not good in the land of hi-fi (but by now you're probably sick of me telling you).
------------- That none should be able to park up and enjoy the view without a smartphone and the knowledge in how to use apps
|
Posted By: tg [RIP]
Date Posted: 30 Jun 2014 at 5:39pm
|
And now back to the remote control input switching (if anybody is still interested...). |
A lack of input, at least in my case, is not indicative of a lack of interest. To the contrary, while the inclusion of such facility is of no interest to me; following your discussion of the various design challenges and their solutions, or the limitations of particular approaches to solving those challenges, continues to be of absorbing interest. I would be fairly sure it is of equal interest to many others, who may feel, as I do, that they have nothing in particular to add to the discussion. Please do continue as and when occasion arises.
------------- Tony G
|
Posted By: CageyH
Date Posted: 30 Jun 2014 at 5:48pm
Do you have any target price in mind for the finished product? I'm thinking of getting a preamp soon, but I could hold on if the target price was "interesting" enough for me.
------------- Kevin European loan coordinator, based near Toulouse, France. Funkified SL1200 Mk.II, BB3, Firebottle Kin , ADI-2 DAC FS, Modulus 686, PD-S703, Solo UL, Triangle Antal EZ
|
Posted By: Ash
Date Posted: 30 Jun 2014 at 5:53pm
What's the need for another preamp design? If you need a preamp for vinyl, there's the phono stages. If you need a preamp for digital, there's the Majestic.
Am I missing something?
------------- We do not see things as they are. We see things as we are.
|
Posted By: Graham Slee
Date Posted: 30 Jun 2014 at 5:54pm
tg wrote:
And now back to the remote control input switching (if anybody is still interested...). |
A lack of input, at least in my case, is not indicative of a lack of interest. To the contrary, while the inclusion of such facility is of no interest to me; following your discussion of the various design challenges and their solutions, or the limitations of particular approaches to solving those challenges, continues to be of absorbing interest. I would be fairly sure it is of equal interest to many others, who may feel, as I do, that they have nothing in particular to add to the discussion. Please do continue as and when occasion arises. |
Guess who omitted the after (if anybody is still interested...)
Thanks tg, I will continue to continue 
------------- That none should be able to park up and enjoy the view without a smartphone and the knowledge in how to use apps
|
Posted By: Graham Slee
Date Posted: 30 Jun 2014 at 6:14pm
CageyH wrote:
Do you have any target price in mind for the finished product? I'm thinking of getting a preamp soon, but I could hold on if the target price was "interesting" enough for me. |
I dunno. What do others charge for a 15" wide line preamp with remotely selected 6 inputs (one balanced), a recording selector switch (with a "tape" out), remote controlled motorised Alps volume control, a real gain stage and signal buffering, fixed line out, single ended and balanced line outs?
(remembering that the tax man wants his cut... sorry about that)
Ash wrote:
What's the need for another preamp design? If you need a preamp for
vinyl, there's the phono stages. If you need a preamp for digital,
there's the Majestic.
Am I missing something? |
About 40 years... 
Some people may have a cherished CD player (and want to use its line out) - FM radio perhaps - maybe even some form of tape machine (ancient technology as it may be) - a phono stage (most don't have a volume control) - they may have a Majestic DAC too... all requiring a switch in a box plus volume control - preferably remote controlled. Some may have a power amp that has a sensitivity none of those sources can deliver, so will need gain in the form of an active preamp. They may even use an ADC (or want to in the future) and may require to feed it with some of the above signals, and thus require a 'record' selector and an output... today's equivalent of a tape out.
------------- That none should be able to park up and enjoy the view without a smartphone and the knowledge in how to use apps
|
Posted By: Ash
Date Posted: 30 Jun 2014 at 6:24pm
Would Graham not be better off making customisable products then? Modular circuit boards that just gives the user the features they want for the most affordable price.
I was never really cut out for this whole hi-fi hobby... which is pretty ridiculous considering what I've spent so far.
------------- We do not see things as they are. We see things as we are.
|
Posted By: Ash
Date Posted: 30 Jun 2014 at 6:42pm
It all comes down to money in the end. Graham is using an expertise to make a living because he can't afford not to. I wish that I had A LOT of spare money that I could invest in GSP research and product development. After patenting all of Graham's designs for him so that no other selfish gits could steal them, I would personally try to investigate development ideas. Sadly this is just a Monday daydream that will never materialise.
------------- We do not see things as they are. We see things as we are.
|
Posted By: Graham Slee
Date Posted: 01 Jul 2014 at 5:50pm
Having fun now with lots of logic chips needed to interface the remote control selector output with the manual switch output such that only the last selected input is actually selected.
Remote controlled volume by motorised pot only requires two chips: one decodes the optical signal and the other has all the circuitry to drive the motor... so easy, and I developed that 2 years ago.
Remotely plus locally selecting 6 inputs is far more involved 
------------- That none should be able to park up and enjoy the view without a smartphone and the knowledge in how to use apps
|
Posted By: Graham Slee
Date Posted: 01 Jul 2014 at 10:29pm
Progress on the remote logic...

The sections outlined in blue are the easy bit - the motorised pot volume control.
The sections in red are for the input selection and there are no relays drawn in yet.
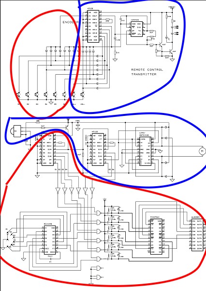
The upper sections are the handset. The lower sections are the decoder and onboard control logic.
Rather than use push buttons for manual input selection I'm using a 'clever' rotary control similar to what you sometimes find on Japanese amps: these are constant rotation switches which behave like conventional rotary input selectors but have no markings and instead use LEDs to indicate the selected channel/where they are. The rotary selector and remote control selector interface with each other to operate a solid state version of a mechanical interlocking switch bank.
In the end I have chosen to use relay signal switching as I want to include a record-out selector as per my original plan. All other ways proclude that because of the load placed on the inputs. I have found a suitable type of relay which will do dry circuit switching reliably provided I include some protection against inadvertent connection of high voltages and large DC offsets at the inputs, which would arc the contacts and once that happens the contacts are no longer any good for dry circuit switching. I am having to import the Japanese made relays from the USA because we have little of much good in the UK anymore.
Although the logic looks quite complex, provided it is reliable I don't mind. I also prefer to do it all in hardware rather than trying to program PICs in production. Obviously the eventual finished circuit will be tested in all manner of ways to ensure it never interferes with the all important music signal.
------------- That none should be able to park up and enjoy the view without a smartphone and the knowledge in how to use apps
|
Posted By: Frostg
Date Posted: 02 Jul 2014 at 11:10am
|
Pleased you having fun - it looks like hieroglyphics to me! ;-)
|
Posted By: Bi-wire
Date Posted: 03 Jul 2014 at 8:51am
I don't pretend to understand it all, but it's interesting stuff nonetheless.
------------- Peter
Satisfied user of: Revelation M, PSU1-Enigma, Solo SRGII and lots of CuSat50
|
Posted By: Graham Slee
Date Posted: 03 Jul 2014 at 9:46am
Bi-wire wrote:
I don't pretend to understand it all... |
I started out in TTL and CMOS logic in the late 70s, worked on numerous logic circuit PCB designs in the 80s, it was part of my broadcast audio work late 80s early 90s, and in the 90s and early 00s I did quite a lot of exhibition 'controllers'...
And I don't pretend to understand all of it either 
One development over what would seem to be the last 10 years is 'positive and negative logic' which really threw me whilst ordering the chips for this circuit yesterday. After a brainstorming refresher online I was able to continue ordering the chips, as the logic I've know over three decades is now known as positive logic, so as to differentiate it from negative logic...
Negative logic eh? What's the point! 
------------- That none should be able to park up and enjoy the view without a smartphone and the knowledge in how to use apps
|
Posted By: BAK
Date Posted: 04 Jul 2014 at 5:20pm
Graham Slee wrote:
Bi-wire wrote:
I don't pretend to understand it all... |
And I don't pretend to understand all of it either 
Negative logic eh? What's the point! 
|
Negative logic is just positive logic upside down... sometimes it is easier to process logic by pulling a "1" down to ground than up to positive voltage. The positive "1" is then restored to positive using an inverter (a Schmidt trigger version would then be used to resist glitches from false triggering the inverter).
I worked with "9's compliment" BCD logic in security applications, it is similar to octal BCD.
Negative logic is: "1" is represented by a zero and "0" is represented by a one... upside down!
------------- Bruce AT-14SA, Pickering XV-15, Hana EL, Technics SL-1600MK2, Lautus, Majestic DAC, Technics SH-8055 spectrum analyzer, Eminence Beta8A custom cabs; Proprius & Reflex M or C, Enjoy Life your way!
|
Posted By: BAK
Date Posted: 04 Jul 2014 at 8:48pm
Graham wrote: "The sections outlined in blue are the easy bit - the motorised pot volume control."
I would be happy with just that plus a remote mute.
Manual input selection is logical because most times I would be at the equipment changing a record or FM station or CD.
Bruce
------------- Bruce AT-14SA, Pickering XV-15, Hana EL, Technics SL-1600MK2, Lautus, Majestic DAC, Technics SH-8055 spectrum analyzer, Eminence Beta8A custom cabs; Proprius & Reflex M or C, Enjoy Life your way!
|
Posted By: Graham Slee
Date Posted: 06 Jul 2014 at 12:10pm
BAK wrote:
Graham Slee wrote:
Bi-wire wrote:
I don't pretend to understand it all... |
And I don't pretend to understand all of it either 
Negative logic eh? What's the point! 
|
Negative logic is just positive logic upside down... sometimes it is easier to process logic by pulling a "1" down to ground than up to positive voltage. The positive "1" is then restored to positive using an inverter (a Schmidt trigger version would then be used to resist glitches from false triggering the inverter).
I worked with "9's compliment" BCD logic in security applications, it is similar to octal BCD.
Negative logic is: "1" is represented by a zero and "0" is represented by a one... upside down!
|
Yes, but we'd invert intuitively as a design went along for reasons that not all things we see as logic 1 are actually logic 1 in the real world, as per your example "sometimes it is easier to process logic by pulling a "1" down to ground than up to positive voltage", but we would invert it or use suitable gating, clocking etc, to get the desired outcome.
My question is why we need to invent another load of logic functions, and with it the education required to understand it, to do something we intuitively managed to do so easily with the pre-existing logic families?
I must be missing something? Or the "not" function of that argument would read - they must be missing something? But they'd need negative logic to be able to process that... 
------------- That none should be able to park up and enjoy the view without a smartphone and the knowledge in how to use apps
|
Posted By: Graham Slee
Date Posted: 10 Jul 2014 at 1:42am
Thought I'd better write some more about the line stage preamp, and more about the 'music handling' parts this time.
After a long discussion where it was abundantly clear I was relay bashing, I decided to use relays for input switching after-all, there being no better alternative IMO.
Some inquisitive audio DIY'ers will have noticed that the wipers of good quality potentiometers are forked to provide two or more paralleled wipers for better contact with the track? The relays I eventually settled on use the same principle. The technical term being 'bifurcated'.
Unused input isolation was another concern, not wanting any breakthrough (co-channel crosstalk) from deselected inputs onto the selected input. A relay alone doesn't give sufficient isolation, but a 4 pole relay can if suitably configured. The problem is finding a 4 pole relay which has the qualities I want. However, and at the cost of an increased current budget, two double pole relays can be ganged with their coils in parallel to make a 'discrete 4 pole'. It does mean using 12 relays for the 6 inputs, but I think it will be worth the effort and the slightly increased cost of the complete line stage. By choosing this method, it means that the first relay normally closed contact can be held to ground (deselected channel) and therefore its 'output' is a definite zero. The second relay is held in the open position (again deselected) so that it will capacitively couple the input signal as would be expected, except that there is no signal there to be coupled - or in other words, it is capacitively coupled to ground, and not any signal, and therefore should ensure maximum isolation.
The adoption of this technique also allows for the rotary 'rec-out' selector I wanted, as deselected inputs are not grounded - directly or loaded via a low impedance. In use there should be no discernable change in level between selected and deselected inputs, making it possible to use the 'rec-out' for high quality recording purposes (to tape or an ADC), whilst listening to something else, or the recording source, or monitoring the fed back signal from the recording device (where available, such as was with tape).
So now onto the active stages. These are hopefully going to be discrete transistor stages throughout. As yet I don't know how successful these discrete stages are going to be, but I'm auditioning a non-inverting 4 transistor stage now and it sounds promising.
There is going to be a balanced input (plus 4 single endeds and a single ended 'rec-in'), plus a balanced 'pre-out' output, as well as a single-ended 'pre-out'. And before I forget, I plan to include a buffered unity gain output for the purpose of driving a headphone amp.
Balanced stages are often taken care of by opamps, but I would like to use discrete transistors here too. It should be possible, but specification-wise we're all so used to disappearingly low distortion figures of the type obtainable by large open-loop gain opamps.
It is different with discrete transistors where fewer elements tend to be used - they may not achieve such low distortion, but I would think anything better than 0.05% THD overall, should be quite acceptable - providing it results in the same or a better standard of musicality than can be obtained by opamps.
So now it's back to a bit more auditioning and some more thought as to how and where improvements may be made.
Graham
------------- That none should be able to park up and enjoy the view without a smartphone and the knowledge in how to use apps
|
Posted By: morris_minor
Date Posted: 10 Jul 2014 at 8:28am
As usual Graham, this makes fascinating reading - even if most of it goes over my head! 
------------- Bob
Majestic DAC/pre-amp Accession MC/Enigma, Accession MM, Reflex M, Elevator EXP, Era Gold V Solo ULDE, Novo, Lautus USB and digital, Libran balanced, CuSat50 2 x Proprius + Spatia/Spatia Links
|
Posted By: Bi-wire
Date Posted: 10 Jul 2014 at 9:22am
|
Thanks Graham for this update. It's interesting to get an insight into the thought processes behind a (potential) product. So often, and not just with hifi, I find myself asking, 'why did they do it like that'. As others have said, I'm pretty sure this forum is unique for the open interaction between producer and customer. 
------------- Peter
Satisfied user of: Revelation M, PSU1-Enigma, Solo SRGII and lots of CuSat50
|
Posted By: RichW
Date Posted: 10 Jul 2014 at 1:07pm
|
Probably unique in the industry to be talked through a new design.
A welcome departure from the marketing-lead hyperbole that seems to predominate many
manufacturer's websites.
------------- Majestic/Enigma, Accession MM & MC.
|
Posted By: Frostg
Date Posted: 12 Jul 2014 at 12:34am
|
It all goes to show Graham has nothing to hide and no 'magic' components, like i think many others present. Though I appreciate there has to be a balance as Graham will not want others copying his ideas.
|
Posted By: Graham Slee
Date Posted: 12 Jul 2014 at 2:15am
I would love to extol the virtues of discrete circuitry to show off my prowess, but the level of complexity required - which is amply illustrated by a number of design textbooks - although not being beyond me, could delay future product launches considerably.
The arguments put forward by opinionated designers as to why their designs are better than anyone elses - things such as just the right amount of second harmonics for example - are to those who are well read, an excuse.
I cannot remember the link but somewhere on the web is a run-down of the vocabulary used to explain each and every desired quality in audio, and that is what I try to meet with what I design.
Provided the product does it in as many ways as possible, and makes you happy, then the means to that end should not be criticised.
However, one whiff of the "O" word (opamp) and all the audio-critics come down on you like a ton of bricks. To me it demonstrates their ignorance, but most are unable to see in through their disguise.
http://www.gspaudio.co.uk/blog/discrete-versus-opamps-should-we-reinvent-the-wheel_post89.html - http://www.gspaudio.co.uk/blog/discrete-versus-opamps-should-we-reinvent-the-wheel_post89.html
------------- That none should be able to park up and enjoy the view without a smartphone and the knowledge in how to use apps
|
Posted By: Graham Slee
Date Posted: 15 Jul 2014 at 1:12pm
So did I decide to use an opamp? Well no, the challenge of doing it discretely was too much to resist. If the following does the biz then it will be discrete - if not, then it's back to opamps. I could possibly match a great opamp using just as many discrete transistors as an opamp, but that uses up board real-estate, and then there'd be no room for any other features. The existing discrete approach uses just four biploar junction transistors...
The proposed discrete main amp circuit of the preamp features 7MHz open-loop bandwidth with 55 degrees phase margin, 54dB open-loop gain and an open-loop frequency response of 20kHz.
Good slew-rate (S) results in low inter-modulation distortion - music inter-modulates and we don't want the gain amp adding its own sounds.
Slew rate is determined by the open-loop behaviour and the input stage linearity, in conjunction with its second stage "miller" capacitor, which in-turn is used to guarantee sufficient phase margin for stability. This is without any negative feedback (yet).
A basic common emitter stage has high transconductance and high gain, but poor bandwidth, and requires a large value "miller" capacitor. This results in a poor slew rate.
By adding emitter resistance (emitter degeneration), transconductance is decreased and with it open-loop gain, which means bandwidth is increased so the "miller" capacitor value can be reduced, and that improves slew-rate.
By aiming for 45 degrees phase margin and adjusting emitter degeneration and "miller" capacitance to suit, it should be possible to calculate the slew-rate by two different methods and come to the same result - and thus prove it correct. In practice using real world component values there will be some slight difference, but the lesser value will be a close approximation.
Using the formula S = 0.3*m*Ft, where Ft is 7MHz and m is the amount of emitter degeneration (in this case 13.5) we obtain a slew-rate of 28.35 V/uS.
By calculating the emitter current divided by the "miller" capacitor (S = dV/dT = I/C) we obtain a slew-rate of 26.5 V/uS.
Therefore the slew rate is a minimum of 26.5 V/uS - pretty good?
Yes, but only if it's symmetrical, and here I'm using a current feedback design that does not have a differential input - neither is it complimentary.
Slew rate will only be 26.5 V/uS on negative going transitions (at the output that is) because capacitor charge comes from the collector resistor, but on positive going transitions the input transistor collector can charge the capacitor much faster.
Here I did the unthinkable and interspaced a resistor between collector and "miller" capacitor, and I'm sure many will frown on such an action, but it does the trick closely enough, indicated by a 5dB reduction in the second harmonic.
In fact, the second harmonic is the only harmonic to be seen in the FFT trace (others may exist but are hidden in the noise), and this is because the output stage is truly class-A (up to 10mA) - it uses just the one active device (a BJT) loaded by a constant current source. The second harmonic is -90dB or 0.003%, ref 1kHz.
Driven in the 100mV region THD measured 0.01% reaching 0.03% with an 800mV input. As this circuit goes after the volume control it should be dealing with sub 100mV signals most of the time and the best THD recorded was around 0.007%.
Dynamic inter-modulation distortion measured around 0.018% and SMPTE intermodulation distortion around 0.022%, which is around twice to three times what a practical opamp preamp can do, but here I'm using just 4 discrete BJT transistors.
S/N and AES17 dynamic range returned 88dB, which isn't at all bad.
As said above, the dominating distortion is second harmonic which we are told is much more acceptable than higher orders, so maybe this will sound good?
I've substituted the preamp gain stage in a Majestic DAC with this one, built up on bits of strip-board, and using the existing power supply take off points the opamp stage used.
With a bit of careful capacitor bypassing this circuit sounds reasonably well balanced by comparison. It still needs some "burn-in". Next post I hope to be able to describe its sound some more.
------------- That none should be able to park up and enjoy the view without a smartphone and the knowledge in how to use apps
|
Posted By: Graham Slee
Date Posted: 15 Jul 2014 at 7:56pm
Sound wasn't as good as expected, so out came the symmetry resistor and instead the output current was increased and the stability capacitor reduced further. The simulation showed almost equal sides to the transient response plot, suggesting symmetry without tricks.
New measurements were taken and THD had dropped to below 0.006% and with more input signal level. DIM and IM were also considerably lower - around 0.01%. The second harmonic had also dropped a little more.
Initial listening sounds more promising.
------------- That none should be able to park up and enjoy the view without a smartphone and the knowledge in how to use apps
|
Posted By: CageyH
Date Posted: 15 Jul 2014 at 8:11pm
Good news. I may need another little silver box soon.
------------- Kevin European loan coordinator, based near Toulouse, France. Funkified SL1200 Mk.II, BB3, Firebottle Kin , ADI-2 DAC FS, Modulus 686, PD-S703, Solo UL, Triangle Antal EZ
|
Posted By: Fatmangolf
Date Posted: 15 Jul 2014 at 11:18pm
Thanks for these posts Graham. They are the best lessons in audio circuit design and testing I have read.
------------- Jon
Open mind and ears whilst owning GSP Genera, Accession M, Accession MC, Elevator EXP, Solo ULDE, Proprius amps, Cusat50 cables, Lautus digital cable, Spatia cables and links, and a Majestic DAC.
|
Posted By: Frostg
Date Posted: 16 Jul 2014 at 9:49am
|
with graham we need permanent little silver boxes - in fact two.
One to save pounds and one for our balls when the wife sees we have bought another bit of kit! ;-)
|
Posted By: Graham Slee
Date Posted: 16 Jul 2014 at 10:11am
Fatmangolf wrote:
Thanks for these posts Graham. They are the best lessons in audio circuit design and testing I have read.
|
And here's another lesson...
Just like it was when working freelance in hi-fi, an inordinate amount of time was spent working on discrete circuitry - and often quite skewed discrete circuitry designed to do the class-AA preamplification "bit", brought about by the Japanese amp manufacturers.
Why would they go to such extremes? Because the simpler circuits couldn't do it? Do what? They couldn't involve you in the music!
And guess what? The more complex they got, they just sounded the same!
The only difference was their complexity - very impressive for the pipe and slippers "dum - de - dum" brigade - but not for those who want to remain awake and listen to music!
Was it Einstein who wrote that "the human race keeps doing exactly the same things expecting a different outcome"?
Well, I should have known better, and in-fact I did, but felt pressured by the snobs who haunt hi-fi - you know, they creep around audio shows, and write for some magazines - they're called hi-fi critics I think?
Well, even with a discrete circuit that's measurably better than the stuff I freelanced with, well, I suppose it's OK for some... but it doesn't do it for me!
A perfectly linear input stage, slew rate to die for, wide bandwidth (13MHz), super stability, class-A output stage... you'd think it would sing its heart out? NO!!! It sounded just as boring as snuff as all the other discrete snobby circuits, and my collection of configurations and techniques is vast.
There is only one discrete circuit that sings! And that is in the front end of the Proprius. The thing is, it doesn't lend itself to the modern world - it won't do the specification thing as far a preamps go. And without the spec, how could it ever be taken seriously by the Rohde & Schwarz weilding hi-fi press?
After trying everything (apart from the above mentioned "front end") and falling asleep listening to it, I switched back to a (cold) bog-standard Majestic - the one using a certain opamp as the basis of the preamp section. And lo and behold, the music was music again!
Just like all the great products in hi-fi that have bitten the dust thanks to the great misinformation society of the hi-fi critics, the European dollop who manufactured this device stopped its production early this year...
I have "asked for a miracle" on the supply front as the only way I'm designing a preamp is with that op-amp!
------------- That none should be able to park up and enjoy the view without a smartphone and the knowledge in how to use apps
|
Posted By: tg [RIP]
Date Posted: 16 Jul 2014 at 11:51am
|
Given the lengthy and, it would seem, the rather frustrating gestation of this, I am very glad that you sorted the phono stages a while ago so I can enjoy my records while following this saga. Hope you will leave it all on the bench when you go away for your break. Always fascinating to follow the ups and downs of the development cycle.
------------- Tony G
|
Posted By: Frostg
Date Posted: 16 Jul 2014 at 11:58am
|
tg - i suppose the up and downs for a phono stage is more important for mono!
|
Posted By: tg [RIP]
Date Posted: 16 Jul 2014 at 12:26pm
|
I do actually have a rather tasty mono cart fitted at present, listening to some rather lovely work by Johanna Martzy. Ups and downs are for stereo - mono is side to side - lateral thinking perhaps
------------- Tony G
|
Posted By: ServerBaboon
Date Posted: 16 Jul 2014 at 2:59pm
Graham Slee wrote:
Was it Einstein who wrote that "the human race keeps doing exactly the same things expecting a different outcome"?
|
Sort of, it was his definition of insanity
Graham Slee wrote:
There is only one discrete circuit that sings! And that is in the front end of the Proprius. The thing is, it doesn't lend itself to the modern world - it won't do the specification thing as far a preamps go. And without the spec, how could it ever be taken seriously by the Rohde & Schwarz weilding hi-fi press?
|
I have seen a certain such magazine where the reviewer has loved the sound of the device under test only for the 'Technical tester' to moan because the device did not have mythical figures for distortion and s/n values despite the previous 2 pages of reviewer love in.
I think the same tester declared a couple of years ago that a DAC had to have a S/N of 120db to be any good.
------------- Steve
-------------
Various bits of GSP Kit ..well two so far, unless you count the cables that is.
|
Posted By: Graham Slee
Date Posted: 18 Jul 2014 at 11:51am
I can understand mic channels needing to be 130dB noise because after amplification there's only 60dB left...
We get to chat with recording industry professionals now and then (usually during the process of them buying something from us), and it seems we, the AES, and the recording industry ALL understand that the difference between 96dB and 120dB is only the noise floor, and that there's nothing to do with the music much below -60dB, and I guess that makes the "tester" sound like a bit of a t**ser?
------------- That none should be able to park up and enjoy the view without a smartphone and the knowledge in how to use apps
|
Posted By: Graham Slee
Date Posted: 18 Jul 2014 at 1:18pm
Anyway, back on with development...
So far I tried the transistor stage that I consider to be quite a good configuration but was left disappointed.
Which way to go after that? Well, I suppose I could go all out to replicate an opamp's internals using discretes - a lot of manufacturers who slam opamps do exactly this - or have my customers put up with a poorer technical performance transistor stage which sounds quite incredible.
It only comes into its own when powered by a high(ish) voltage (where it does the "magic" in the Proprius), but we'd end up with a rather unwieldy power supply, and we'd not be legally able to sell it in most countries...
Or I could use the double-pronged approach of a certain opamp with my UL treatment.
I am really perturbed that the industry has shunned this opamp to the degree that it is only now available from one manufacturer and only in a surface-mount package at that. How long production of the chip will continue is anybodies guess. I am seriously considering buying in a few thousand of them.
So, opamp bashers will be able to frown on me and indulge in their favourite childish pastime of ridiculing me, but my comfort will be that I'll be giving my customers the best musical experience they ever had (except for the Majestic, Reflex M etc).
Now onto finalising the schematics and PCB layout shall commence!
------------- That none should be able to park up and enjoy the view without a smartphone and the knowledge in how to use apps
|
Posted By: Frostg
Date Posted: 19 Jul 2014 at 2:30am
tg wrote:
I do actually have a rather tasty mono cart fitted at present, listening to some rather lovely work by Johanna Martzy. Ups and downs are for stereo - mono is side to side - lateral thinking perhaps
|
Tg - i had never though of eating a cart before, but your recommendation that one is 'tasty' lets me know i can try one out when times get desperate! 
out of interest what are you trying?
|
Posted By: CageyH
Date Posted: 23 Jul 2014 at 5:51pm
Do you have any ballpark figures for the various different options yet? I'm just wondering if the basic version is in Gram Amp or Reflex M territory?
Will the pre be able to drive "long" cable lengths (as far as HiFi goes)?
Can I volunteer to be a product tester?
------------- Kevin European loan coordinator, based near Toulouse, France. Funkified SL1200 Mk.II, BB3, Firebottle Kin , ADI-2 DAC FS, Modulus 686, PD-S703, Solo UL, Triangle Antal EZ
|
Posted By: Graham Slee
Date Posted: 23 Jul 2014 at 6:48pm
The specification communally asked for sets its cost far beyond the Reflex M. It also makes its enclosure rather large, which contributes quite a bit to the cost.
1 balanced stereo input, 5 RCA stereo inputs, stereo rec-out, stereo aux out, stereo pre-out and balanced stereo out, uses 8 pairs of RCA/phono jacks, 2 female 3 pin XLRs, and 2 male 3 pin XLRs... not forgetting the power input socket. 15" (380mm) width should comfortably do that.
To recap, some want remote control of source selection and volume, for which I have a logic circuit design to develop and include.
Some don't want full remote control, and some don't want it at all, but I am limited to the one enclosure size.
I usually build a few pre-production units to lend out to members (as with the Majestic).
------------- That none should be able to park up and enjoy the view without a smartphone and the knowledge in how to use apps
|
Posted By: CageyH
Date Posted: 23 Jul 2014 at 6:53pm
It sounds like an impossible task to keep everybody happy!
------------- Kevin European loan coordinator, based near Toulouse, France. Funkified SL1200 Mk.II, BB3, Firebottle Kin , ADI-2 DAC FS, Modulus 686, PD-S703, Solo UL, Triangle Antal EZ
|
Posted By: CageyH
Date Posted: 18 Aug 2014 at 8:32pm
Any recent progress, or are you taking a well earned break?
------------- Kevin European loan coordinator, based near Toulouse, France. Funkified SL1200 Mk.II, BB3, Firebottle Kin , ADI-2 DAC FS, Modulus 686, PD-S703, Solo UL, Triangle Antal EZ
|
Posted By: Graham Slee
Date Posted: 18 Aug 2014 at 10:07pm
Well, if we'd had more support from our dealers, more support from the British magazines, more customers who weren't so suspiscious of us or scared to buy our products until I'd replied two or three times to their emails (all several thousand of them), if ....
It's a big word IF!
Then I'd be a full time designer with no marketing to do, or accounts, VAT returns and all that, and I could have done a lot more a lot sooner.
End of moan.
------------- That none should be able to park up and enjoy the view without a smartphone and the knowledge in how to use apps
|
Posted By: CageyH
Date Posted: 18 Aug 2014 at 10:38pm
As one of those people who asked several questions about the Proprius amps before purchasing, I can understand your frustration. However, the personal touch and reassurance that the product would work in my system swung it for me. Although the price is reasonable, it's still a lot of money to spend on a luxury item in the current climate.
I was tempted to try a different brand of ampor the Proprius, but your willingness and helpful attitude won me over. That's more than can be said for my experience elsewhere.
This is a common theme for your team, as John e-mailed me whilst on holiday to respond to one of my questions. I sent an e-mail as I knew about the break and it could wait until afterwards, and was surprised to see a response before the date published here. Above and beyond the call of duty in my opinion.
------------- Kevin European loan coordinator, based near Toulouse, France. Funkified SL1200 Mk.II, BB3, Firebottle Kin , ADI-2 DAC FS, Modulus 686, PD-S703, Solo UL, Triangle Antal EZ
|
Posted By: Graham Slee
Date Posted: 19 Aug 2014 at 6:49am
I would not think your line of questioning was based on fear or suspicion. £1300 is a considerable investment and you rightly wanted to discuss the finer detail. I'm not having a go at anybody in particular, however...
...a large proportion of the callers/emailers over let's say the past 10 years, have been from people buying through dealers, who you'd think would be able to answer such questions themselves?
When we buy a particular product from such as Farnell (a component supplier - a dealer), we can (more often than not) get all the details we require about a component from them, and we're very demanding - needing to know things in great detail. They even have a website which serves up tens of thousands of PDF data sheets.
Contrast that with some - not all - but a sufficient amount of dealers who have not bothered to gen-up on what we make and the philosophy behind it.
Only yesterday I found an American dealer who is "happy" to sell some of our products but is truly ignorant (or arrogant) when it comes to the Proprius amps - thinking them to be unsuitable for sale in his shop. The USA customer is coming to us direct, and the USA dealer has lost the sale (as well as the plot) in this scenario. Maybe he didn't want to make the margin? We have one in London just like that too.
Now, going back to my example Farnell; my first visit to their trade counter was way back when it was on Canal Road. On my next visit a few years later, behind the trade counter building they'd now got a huge warehouse, plus an extension to the office block that straddled the railway line with their own bridge! And today on Coniston Road a few hundred yards away, a massive warehouse and distribution centre trebling the size thay had before...
...not because they're cheaper than anybody else ...not because of discounts ...but because of knowledgeable customer service!
------------- That none should be able to park up and enjoy the view without a smartphone and the knowledge in how to use apps
|
Posted By: CageyH
Date Posted: 19 Aug 2014 at 7:01am
I agree with your post above regarding dealers, and I realise that you were not having a moan about me. I tried to find a French dealer for the Proprius amps, but drew a blank.
My members discount also meant it was financially interesting to come to you direct, but there is nobody more knowledgable about the product than the designer. Surely if the American dealer does not think that the amps are suitable, you have to question whether he is a suitable dealer For your products?
------------- Kevin European loan coordinator, based near Toulouse, France. Funkified SL1200 Mk.II, BB3, Firebottle Kin , ADI-2 DAC FS, Modulus 686, PD-S703, Solo UL, Triangle Antal EZ
|
Posted By: Graham Slee
Date Posted: 19 Aug 2014 at 7:27am
CageyH wrote:
Surely if the American dealer does not think that the amps are suitable, you have to question whether he is a suitable dealer For your products? |
I do question it, and often communicate such things with the USA distributor, and sometimes I think the good friendship we had at the start seems to have gone a bit sour.
------------- That none should be able to park up and enjoy the view without a smartphone and the knowledge in how to use apps
|
Posted By: Ash
Date Posted: 19 Aug 2014 at 8:33am
|
Anyone associated with hi-fi who has heard your products and doesn't consider them to be amongst the best of the best is clearly an idiot whose loyalty can only be obtained with money, not morality.
|
Posted By: CageyH
Date Posted: 03 Sep 2014 at 8:35am
Morning Graham,
Do you have any idea of when this will be available on the open market? I see you are busy with the phono stage, and unfortunately, you only have one pair of hands. I'm only asking to allow me to "budget" enough each month to ease the financial pain....
------------- Kevin European loan coordinator, based near Toulouse, France. Funkified SL1200 Mk.II, BB3, Firebottle Kin , ADI-2 DAC FS, Modulus 686, PD-S703, Solo UL, Triangle Antal EZ
|
Posted By: Chris Firth
Date Posted: 15 Oct 2014 at 10:38pm
For me the ideal preamp would be a Majestic with a remote controlled volume pot. Manual switching for sources is not an issue, but remote controlled volume would be preferable.
A line level output for my Solo II and an analogue input for my Reflex M and I'm completely covered.
|
Posted By: Graham Slee
Date Posted: 16 Oct 2014 at 8:41am
Chris Firth wrote:
For me the ideal preamp would be a Majestic with a remote controlled volume pot. Manual switching for sources is not an issue, but remote controlled volume would be preferable.
A line level output for my Solo II and an analogue input for my Reflex M and I'm completely covered.
|
That could be easier to make than the proposed preamp due to it being an existing design to a degree.
However, it would need to have an enlarged case to take the remote controlled volume and some extra inputs/outputs to suit others.
But what about the price? The Majestic Pre-DAC is already a little too expensive for some.
------------- That none should be able to park up and enjoy the view without a smartphone and the knowledge in how to use apps
|
Posted By: CageyH
Date Posted: 16 Oct 2014 at 8:52am
Is the pre-amp part of the majestic the same as the pre-amp? Would it be possible to have a modular design? Potentially using the same case for the Majestic and pre-amp (economy of scale?) The Majestic does not interest me - at the moment, as my next priority would be a pre-amp with a balanced output.
Relistically, I only need one analogue input for the moment, but if I get a second TT to make use of an MC cartridge, a second would be useful. It would save me from having to cable swap too often.
------------- Kevin European loan coordinator, based near Toulouse, France. Funkified SL1200 Mk.II, BB3, Firebottle Kin , ADI-2 DAC FS, Modulus 686, PD-S703, Solo UL, Triangle Antal EZ
|
Posted By: Ash
Date Posted: 16 Oct 2014 at 9:17am
Remote controlled volume pot?
Can't the volume of a well set up system be set and then forgotten? I'm kinda glad that Graham kept things simpler; less electronic problems to be concerned with.
------------- We do not see things as they are. We see things as we are.
|
Posted By: suede
Date Posted: 16 Oct 2014 at 9:35am
Chris Firth wrote:
A line level output for my Solo II and an analogue input for my Reflex M and I'm completely covered.
|
Doesn't the Majestic already have these inputs/outputs?
------------- Proprius, Reflex M, Solo UL, Bitzie, CuSats & Spatia --------------------------------- Johan
|
Posted By: Graham Slee
Date Posted: 16 Oct 2014 at 11:38am
suede wrote:
Chris Firth wrote:
A line level output for my Solo II and an analogue input for my Reflex M and I'm completely covered.
|
Doesn't the Majestic already have these inputs/outputs?
|
Yes, but he wants remote control of volume.
------------- That none should be able to park up and enjoy the view without a smartphone and the knowledge in how to use apps
|
Posted By: Chris Firth
Date Posted: 16 Oct 2014 at 11:52am
And in response to Ash - my Squeezebox setup quite happily feeds a normalised level into such a setup. Unfortunately it doesn't work with vinyl records - summat to do with replaygain tagging not working 'cos it's not embedded into the groove 
I have just realised something else - if I'm streaming radio then the volume needs to be adjusted from station to station, 'cos they don't use replaygain tagging either. All the ripped music I have on my server has been scanned for replaygain and the figures added to the files, so when I'm playing stuff from this source there's no need to change volume.
|
Posted By: ICL1P
Date Posted: 16 Oct 2014 at 1:23pm
CageyH wrote:
Realistically, I only need one analogue input for the moment, but if I get a second TT to make use of an MC cartridge, a second would be useful. It would save me from having to cable swap too often. | I use this,
REK-O-KUT® LOW NOISE STEREO PHONO / AUX SWITCH http://www.esotericsound.com/elect.htm#d_Switchbox
------------- Ifor ===== Reflex M & ACCESSION M, CuSat50, Majestic DAC, a Proprius pair.
|
Posted By: less
Date Posted: 22 Nov 2014 at 5:54pm
tg wrote:
And now back to the remote control input switching (if anybody is still interested...). |
A lack of input, at least in my case, is not indicative of a lack of interest. To the contrary, while the inclusion of such facility is of no interest to me; following your discussion of the various design challenges and their solutions, or the limitations of particular approaches to solving those challenges, continues to be of absorbing interest. I would be fairly sure it is of equal interest to many others, who may feel, as I do, that they have nothing in particular to add to the discussion. Please do continue as and when occasion arises. |
Here, here.
------------- I don't do mediocrity!
Les Sutherland
|
Posted By: less
Date Posted: 22 Nov 2014 at 6:56pm
Graham Slee wrote:
Some people may have a cherished CD player (and want to use its line out) - FM radio perhaps - maybe even some form of tape machine (ancient technology as it may be) - a phono stage (most don't have a volume control) - they may have a Majestic DAC too... all requiring a switch in a box plus volume control - preferably remote controlled. Some may have a power amp that has a sensitivity none of those sources can deliver, so will need gain in the form of an active preamp. They may even use an ADC (or want to in the future) and may require to feed it with some of the above signals, and thus require a 'record' selector and an output... today's equivalent of a tape out.
|
I have two cassette decks that I still want to use. The extra inputs would be very useful to me.
I shall watch progress with interest.
Les
------------- I don't do mediocrity!
Les Sutherland
|
Posted By: less
Date Posted: 22 Nov 2014 at 7:25pm
Frostg wrote:
with graham we need permanent little silver boxes - in fact two.
One to save pounds and one for our balls when the wife sees we have bought another bit of kit! ;-) |
------------- I don't do mediocrity!
Les Sutherland
|
Posted By: Aussie Mick
Date Posted: 22 Nov 2014 at 9:28pm
less wrote:
Frostg wrote:
with graham we need permanent little silver boxes - in fact two.
One to save pounds and one for our balls when the wife sees we have bought another bit of kit! ;-) |
 |
Funny 'cause it's true!
------------- Rega RP8 - Apheta 2 - Accession MC Enigma PS -Solo ULDE (Focal Utopia) - PS Audio M700 - Fical Kanta No2
|
Posted By: ICL1P
Date Posted: 28 Nov 2014 at 10:06pm
Just wondering ...
------------- Ifor ===== Reflex M & ACCESSION M, CuSat50, Majestic DAC, a Proprius pair.
|
Posted By: DeadWax
Date Posted: 29 Nov 2014 at 12:43am
ICL1P wrote:
Just wondering ... |
... indeed. I'm just wondering whether an interim product/mod could be a Majestic with remote volume control/mute... Or has this been mooted and poo-poo'ed long ago...?
|
Posted By: DaveG
Date Posted: 21 Dec 2014 at 5:40pm
I've been watching this with interest as part of my plan for next year is new amplification. At some point I will ask to loan the Proprius and assuming I like them, or more probable, don't consider them more of a sideways move rather than a real upgrade, a line level preamp would be a must for me. Curious to know if the final spec is close to being fixed? Personally my needs are simple - I'd like a remote volume & balanced outputs. So you probably got it covered anyway  Why remote? Normally I listen to vinyl but I have been on a bit of a digital kick for the last 6 months or so. I recently ripped all my CD's & now play digital off my pc and levels can be all over the place. Not an issue if you are listening to a whole album but a royal pain when I just let the software decide what I listen to (rediscovered a few forgotten albums that way). The software I use (JRMC20 FWIW) can be set to normalize volumes.. supposedly bit perfect, but I can hear sound degradation even though the guys at JRiver say that is impossible. So me being v lazy, remote volume on the amp is great.
How about aesthetics? I see smoked black front panel was mentioned early on, which also piqued my interest. Could look nice if done right. How about offering different finishes for the casework? maybe special order? I know Lincoln Binns, for example, will do black anodized rather than silver (for a premium) and other colours too. I assume all case manufacturers can do the same. I personally would consider paying extra and who knows, it may broaden appeal.
There. another 2p worth 
------------- Dave
Michell Gorbe + HR PSU -> Cadenza Bronze -> SME V -> Elevator -> Accession -> Proprius -> B&W CM6 s2 | Cusat 50 & Spatia cables ->
|
Posted By: Chris Firth
Date Posted: 27 Jan 2015 at 12:10am
DaveG wrote:
I recently ripped all my CD's & now play digital off my pc and levels can be all over the place |
Which media player are you using? All of my digital music library is scanned for replaygain, and tags are added. Which means that my Squeezebox Touch (running on LMS) can adjust levels automatically. Foobar also has this facility, as does Winamp (IIRC).
There's no rapid movement for the volume pot round here 
|
Posted By: Chris Firth
Date Posted: 27 Jan 2015 at 12:16am
Thinking further about the preamp - it would be good if it were not noticeable from a listening perspective. I have noticed that the preamp section of my amp has a sound of its own, and when I connect a source direct to my Solo II I can hear the negative influence the preamp has.
So audible invisibility would be an excellent proposition. Any line out from the preamp to be indistinguishable from a directly wired connection 
|
Posted By: morris_minor
Date Posted: 27 Jan 2015 at 8:24am
Chris Firth wrote:
So audible invisibility would be an excellent proposition. Any line out from the preamp to be indistinguishable from a directly wired connection 
| When I got my Majestic and started using it as a pre-amp for the Reflex I compared the sound going direct to the Solo and via the Majestic and couldn't hear a difference. So I'd say the likelihood of audible invisibility from the GSP Preamp is an absolute certainty . . . 
------------- Bob
Majestic DAC/pre-amp Accession MC/Enigma, Accession MM, Reflex M, Elevator EXP, Era Gold V Solo ULDE, Novo, Lautus USB and digital, Libran balanced, CuSat50 2 x Proprius + Spatia/Spatia Links
|
Posted By: Graham Slee
Date Posted: 27 Jan 2015 at 9:28am
I think it helps a lot in the development of our products that a wide variety of music is listened to.
Some of the "demo" records I use may not be everyone's cuppa, but somebody out there will be sure to want to play them, or something very similar, and I don't want to let them down.
An example, which I took on the road last year, is the Mike and the Mechanics "Living Years" LP album. It's a very "80's" mid/high forward recording which can sound extremely brittle, harsh and stinging, unless the electronics are "just right". I'm sure that record will be in many collections.
Other examples include the piercing sound of many a Yes album, and the scorching tones of Peter Gabriel on "Lamb Lies Down". Such albums were "best sellers" in their time, and no doubt their owners will want to play them.
It should follow that a product should be capable of reproducing really well recorded albums too, and here again, I have a few to try in listening tests.
It is all about enjoyment of music. Every product must allow that, and deliver value for money by the car-load, or I would feel cheated, and I'm sure the customer would feel the same.
People also do the weirdest things by teaming up products that have gone through painstaking development with often dubious ancillary items, which can affect the product's stability. Therefore, it is important to make the product as "blameless" as it can be. This is where measurement and simulation come in, and why we invest in the best we can afford regarding audio analytics, an example being the addition of our now one year old Audio Precision AP525 to our existing ATS-1 analyser.
------------- That none should be able to park up and enjoy the view without a smartphone and the knowledge in how to use apps
|
Posted By: DaveG
Date Posted: 27 Jan 2015 at 1:50pm
Chris Firth wrote:
DaveG wrote:
I recently ripped all my CD's & now play digital off my pc and levels can be all over the place |
Which media player are you using? All of my digital music library is scanned for replaygain, and tags are added. Which means that my Squeezebox Touch (running on LMS) can adjust levels automatically. Foobar also has this facility, as does Winamp (IIRC).
There's no rapid movement for the volume pot round here 
|
Yeah I use JRiver MC20 which has a similar facility, but I swear I can hear a difference between digitally adjusted volume & no processing at all. I really only noticed this when the software was in beta, listening on headphones, for some reason the music just wasn't "doing it" for me... and then I turned replay gain off & bingo!
As a consequence I had some conversations with JRiver but they reckoned it was impossible that I could hear any difference. I don't understand the theory behind it, but I go with my feelings. If I believe there's a difference, then there is one... whether it's real or imagined  . Anyway since then I don't use digital volume levelling when listening critically, in fact when I do listen critically I bypass JRMC completely & just play it through JPlay mini.
------------- Dave
Michell Gorbe + HR PSU -> Cadenza Bronze -> SME V -> Elevator -> Accession -> Proprius -> B&W CM6 s2 | Cusat 50 & Spatia cables ->
|
|